● 铝合金材料;
● 精度高、抗偏载能力强;
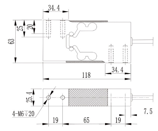
● 容易安装,IP 66;
● 主要用于电子秤,计数秤,电子天平及各种工业称重系统
● 应用领域:汽车压装、自动化组装、3C产品测试、新能源产品组装、医疗检测、机器人领域、模具组装及其他工业测试、测量及控制系统

| 额定量程 | 6,10,20,30 kg | 绝缘电阻 | ≥5000 MΩ / 100VDC |
| 灵敏度 | C3 | 激励电压 | 5~15 V |
| 零点平衡 | 2.0±10% mV/V | 最大激励电压 | 20 V |
| 非线性 | ±2% F.S. | 温度补偿范围 | -10〜40℃ |
| 滞后误差 | 0.0166% F.S. | 工作温度范围 | -20〜60℃ |
| 重复性 | 0.0166% F.S. | 安全负载 (E L) | 150% F.S. |
| 蠕变(30分钟) | 0.02% F.S. | 破坏负载 (E d) | 300% F.S. |
| 温度对灵敏度漂移 | 0.017% F.S. / 10℃ | 电缆线尺寸 | φ4.6×1500 mm |
| 温度对零点漂移 | 0.02% F.S. / 10℃ | 材料 | 0.6 kg |
| 输入电阻 | 420±20 Ω | 单件重量 (G) | 铝合金(Aluminum Alloy) |
| 输出电阻 | 350±10 Ω | 保护等级 | IP66 |
受力方向 | 接线方式 |
![]() | ![]() |
138-9664-0316
187-2316-8761
157071599@qq.com
重庆两江新区水土街道京东方大道399号12幢
Company address:重庆两江新区水土街道京东方大道399号12幢