● 不锈钢材质,稳定性强;
● 综合灵敏度高,结构紧凑;
● 四角偏差已补偿;
● 长期稳定性好;
● 主要用于不锈钢防水秤,化工防水制药行业的过程称重。
● 应用领域:汽车压装、自动化组装、3C产品测试、新能源产品组装、医疗检测、机器人领域、模具组装及其他工业测试、测量及控制系统

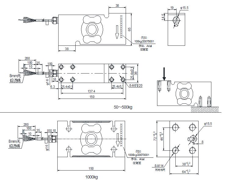
| 额定量程 | 50,100,200,300,500,1000 kg | 绝缘电阻 | ≥5000MΩ/ 100VDC |
| 灵敏度 | 2.0±10% mV/V | 激励电压 | 5 V |
| 零点平衡 | ≤1% F.S. | 最大激励电压 | 15 V |
| 非线性 | ≤0.017%F.S. | 温度补偿范围 | -10〜40℃ |
| 滞后误差 | ≤0.017%F.S. | 工作温度范围 | -40〜65℃ |
| 重复性 | ≤0.01%F.S. | 安全负载 (E L) | 150%F.S. |
| 蠕变(30分钟) | ≤0.017%F.S. | 破坏负载 (E d) | 200%F.S. |
| 温度对灵敏度漂移 | ≤0.002% F.S. / 10℃ | 电缆线尺寸 | φ6×3000 mm |
| 温度对零点漂移 | ≤0.002% F.S. / 10℃ | 拧紧力矩 | 30N.m 160N.m |
| 输入电阻 | 380±20Ω | 材料 | 不锈钢 |
| 输出电阻 | 350±10Ω | 保护等级 | IP68 |
受力方向 | 接线方式 |
![]() | ![]() |