● Integrated product consisting of resistive strain gauges and integrated circuits, powered and signal output achieved through slip rings.
● Suitable for low to medium measurement range torque measurement. Can measure both positive and negative torque values.
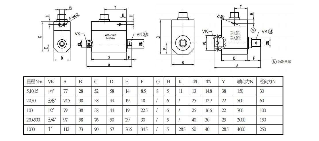
● Key connections on both ends for easy installation and use. Maximum rotational speed of 1800 RPM.
● Application areas: automobile assembly, automated assembly, 3C product testing, new energy product assembly, medical testing, robotics, mold assembly, and other industrial testing, measurement, and control systems.

额定容量 | 5,10,20,50,100,200,300,500,1000Nm | Output resistance | 350,700±5Ω |
Output sensitivity | 1.5±10%mV/V | Excitation voltage | 10VDC(9-15VDC) |
Zero output | ±1%F.S. | Insulation resistance | ≥5000MΩ/100VDC |
| Nonlinearity | ±0.1,0.3%F.S. | Temperature compensation range | -10~60℃ |
| Hysteresis error | ≤±0.05%F.S. | Operating temperature range | -20~65℃ |
| Repeatability | ≤±0.05%F.S. | Safe overload | 150%F.S. |
| Creep (30 minutes) | ≤±0.03%F.S/30min | Ultimate overload | 200%F.S. |
| Temperature coefficient of sensitivity drift | 0.03%F.S./10℃ | Protection | IP67 |
| Temperature coefficient of zero drift | 0.03%F.S./10℃ | Cable wire size | Φ5.2×3m |
| Input resistance | 350,750±10Ω | ||
Wiring method |
![]() ![]() |
157071599@qq.com