● Miniature sensor, high accuracy, with overload protection function;
● Made of stainless steel;
● Bi-directional tension and compression;
● Mainly used for force testing of various 3C product buttons, various switch key testing, various insertion and extraction force testing, medical testing, and other industrial testing.
● High dynamic response frequency.
● Application areas: automobile assembly, automated assembly, 3C product testing, new energy product assembly, medical testing, robotics, mold assembly, and other industrial testing, measurement, and control systems.

| Rated range | Fx:50kg Fy:50kg | Insulation resistance | ≥5000MΩ/ 100VDC |
| Sensitivity | Fx:≈1.0 mV/V Fy:≈1.0 mV/V | Excitation voltage | 5〜12 V |
| Zero-point balance | ±0.05% F.S. | Maximum excitation voltage | 15 V |
| Nonlinearity | 0.2% F.S. | Temperature compensation range | -10~40℃ |
| Hysteresis error | 0.2% F.S. | Operating temperature range | -20~60℃ |
| Repeatability | 0.2% F.S. | Safe load (E L) | 150% F.S. |
| Creep (30 minutes) | 0.5% F.S. | Destruction load (E d) | 200% F.S. |
| Temperature coefficient of sensitivity drift | 0.1% F.S. / 10℃ | Cable wire size | |
| Temperature coefficient of zero drift | 0.1% F.S. / 10℃ | Material | |
| Input resistance | 350±20 Ω | Unit weight (G) | |
| Output resistance | 350±10 Ω | Protection | IP67 |
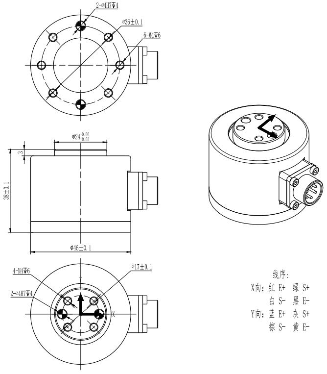
Direction of force | Wiring method |
![]() | ![]() |
157071599@qq.com