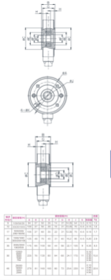
● 张力测量传感器
●结构紧凑便于安装
● 防护等级:IP65
●超强防过载能力
● 应用领域:汽车压装、自动化组装、3C产品测试、新能源产品组装、医疗检测、机器人领域、模具组装及其他工业测试、测量及控制系统

| 额定量程 | 20N-25kN | 温度对灵敏度漂移 | 0.05%F.S/10℃ |
| 输出灵敏度 | 2.0±0.2%mV/V | 温度对零点漂移 | 0.05%F.S/10℃ |
零点输出 | ±2%F.S. | 输入电阻 | 410±10Ω |
非线性 | 0.25%F.S. | 输出电阻 | 350±5Ω |
| 滞后误差 | 0.25%F.S. | 工作温度范围 | -20-80℃ |
| 重复性 | 0.1%F.S. | 安全载荷 | 120%F.S. |
| 蠕变(30分钟) | 0.1%F.S. | 电缆线尺寸 | φ5×3000mm |
| 保护等级 | IP65 |
受力方向 |
![]() |