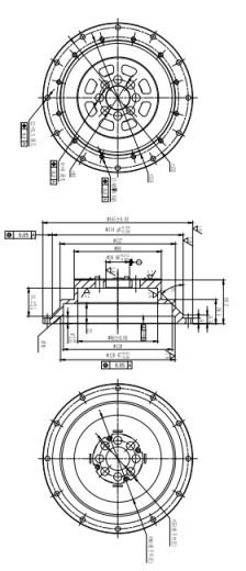
特点与用途
●静态扭矩传感器
●结构紧凑便于安装
●防护等级∶IP65
●用于静态,非连续旋转的扭矩值测量

额定量程 | Nominal (rated) torque Mnom | 580N.m |
输出灵敏度 | Nominal (rated) sensitivity | can输出 |
零点输出 | Zero balance | ±0.05%mV/V |
| 非线性 | Non-linearity | 0.3%F.S. |
| 滞后 | Hysteresis | 0.3%F.S. |
| 重复性 | Repeatability | 0.2%F.S. |
| 蠕变(30分钟) | Creep(5min) | 0.2%F.S. |
| 温度对灵敏度漂移 | Temp.effect on output | 0.05%F.S./10℃ |
| 温度对零点漂移 | Temp.effect on zero | 0.05%F.S./10℃ |
| 输入电阻 | Input impedance | 2000±20Ω |
输出电阻 | Output impedance | 2000±10Ω |
绝缘电阻 | Insulation | ≥5000MΩ/100VDC |
激励电压 | Recommended excitation | 5-12V |
最大激励电压 | Maximum excitation | 15V |
温度补偿范围 | Compensated temp range | -10~60℃ |
工作温度范围 | Operation temp range | -20-80℃ |
安全超载 | Safe overload | 150%F.S. |
极限超载 | Ultimate overload | 200%F.S. |
线缆 | Cable | φ3-4m |
防护等级 | Protection class | IP65 |
配线图 |
![]() |