● 静态扭矩传感器;
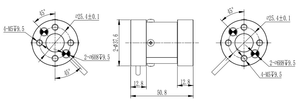
● 结构紧凑、容易安装;
● 防护等级IP65;
● 用于静态、非连续旋转的扭矩值测
● 应用领域:汽车压装、自动化组装、3C产品测试、新能源产品组装、医疗检测、机器人领域、模具组装及其他工业测试、测量及控制系统

| 额定量程 | 0.5,1,2,3,5,6,10,20,30, 50,75,100,150 200N.m | 绝缘电阻 | ≥2000 MΩ / 50VDC |
| 输出灵敏度 | 1.5±20% mV/V(≤2N.m) 1.0±20% mV/V(>2N.m) | 激励电压 | 5~12V |
| 零点平衡 | ± 5% F.S. | 最大激励电压 | 15V |
| 非线性 | 0.1% F.S. | 温度补偿范围 | -20~40℃ |
| 滞后误差 | 0.1% F.S. | 工作温度范围 | -20~60℃ |
| 重复性 | 0.1% F.S. | 安全负载 (E L) | 120% F.S. |
| 蠕变(30分钟) | 0.1% F.S. | 破坏负载 (E d) | 150% F.S. |
| 温度对灵敏度漂移 | 0.1% F.S./ 10℃ | 电缆线尺寸 | φ3×4000 mm |
| 温度对零点漂移 | 0.1% F.S./ 10℃ | 材料 | |
| 输入电阻 | 780±20 Ω | 单件重量 | |
| 输出电阻 | 700±10 Ω | 保护等级 | IP65 |
受力方向 | 接线方式 |
![]() | ![]() |