● 精度高、抗偏载能力强;
● 容易安装IP66;
● 接受定制规格;
● 机器手臂精密控制、曲面研磨抛光、加工中心精雕加工、医疗设备精密测
● 应用领域:汽车压装、自动化组装、3C产品测试、新能源产品组装、医疗检测、机器人领域、模具组装及其他工业测试、测量及控制系统

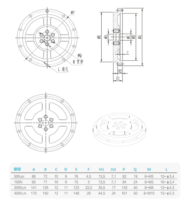
| 额定量程 | 50,100,200,400 N.m (可定制其他量程) | 绝缘电阻 | ≥5000 MΩ / 100VDC |
| 额定输出 | 1.0~1.5 mV/V | 激励电压 | 5~12V |
| 零点平衡 | ± 3% F.S. | 最大激励电压 | |
| 非线性 | 0.3% F.S. | 温度补偿范围 | -10~60℃ |
| 滞后误差 | 0.5% F.S. | 工作温度范围 | -20~80℃ |
| 重复性 | 0.3% F.S. | 安全负载 (E L) | 120% F.S. |
| 蠕变(30分钟) | 0.3% F.S. | 破坏负载 (E d) | 150% F.S. |
| 温度对灵敏度漂移 | 0.05% F.S./ 10℃ | 电缆线尺寸 | φ3×4000 mm |
| 温度对零点漂移 | 0.05% F.S./ 10℃ | 材料 | |
| 输入电阻 | 受力方向 | ||
| 输出电阻 | 保护等级 | IP65 |
受力方向 | 接线方式 |
![]() | ![]() |