
●精度高、抗偏载能力强
●带过载保护,内置通讯板485,NET、CAT通讯
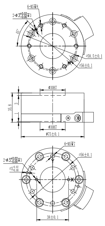
●容易安装,IP66
●接受定制规格
●机器手臂精密控制、曲面研磨抛光,加工中心精雕加工、医疗设备精密测试

| 受力特征 | 单位 | A1 | A2 | C1 | C2 | C3 | D1 | D2 | D3 | D4 |
| 力 Fxy | N | 150 | 300 | 750 | 1000 | 1500 | 2000 | 2500 | 3000 | 5000 |
| 力 Fz | N | 350 | 700 | 1800 | 2400 | 3600 | 5000 | 6000 | 7350 | 10000 |
| 力矩 Mxy | N-m | 4 | 6 | 18 | 24 | 35 | 45 | 60 | 70 | 300 |
| 力矩 Mz | N-m | 10 | 18 | 48 | 64 | 95 | 125 | 160 | 190 | 500 |
| 参数 | Specifications | 技术指标/Technique |
| 额定量程 | Nomial load | 见表格 |
| 综合精度 | Combined error | 0.5%F.S. |
| 绝缘电阻 | Insulation | ≥2000M9/50VDC |
| 激励电压 | Recommended excitation | 5V |
| 最大激励电压 | Maxmum excitation | 15V |
| 温度补偿范围 | Compensated temp range | -10~40℃ |
| 工作温度范围 | Operation temp range | -20~60℃ |
| 极限超载 | Ultimate overload | 200%F.S. |
| 电缆长度 | Cable length | 4000mm(高柔电缆) |
| 材质 | Material | Stainless Steel |
| 防护等级 | Protection class | IP66 |
| 过载能力 | 铝制 | 17-4 不锈钢 |
| Fxy | 200% | 200% |
| Fz | 200% | 200% |
| Mxy | 200% | 200% |
| Mz | 200% | 200% |
| 刚度(计算) | 铝制 | 17-4 不锈钢 |
| X向&Y向力(Kx,Ky) | 3.4x106 N/m | 3.4x106 N/m |
| Z向力(Kz) | 1.3x107 N/m | 1.3x107 N/m |
| X向&Y向力矩(Kmx,Kmy) | 2.7x103 N/m | 2.7x103 N/m |
| Z向力矩(Kmz) | 1.1x104 N/m | 1.1x104 N/m |
备注:
1.过载能力和刚度可根据要求制作。
2.输出分辨率为0.1%,提供EtherCAT和Ethernet两种通讯方式,可直接读取数据,采样频率1kHz。
受力方向 |
![]() |
备注:
1.传感器的固定参考系位于传感器的下表面中心;
2.传感器的相对参考系原点分别与上表面中心。