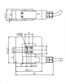
●规格小,结构紧凑;
● 精度高,抗偏载能力强;
● 机械手臂精密控制、曲面研磨抛光、加工中心精雕加工、医疗设备精密测试;
● 应用领域:汽车压装、自动化组装、3C产品测试、新能源产品组装、医疗检测、机器人领域、模具组装及其他工业测试、测量及控制系统

| 额定量程 | Fx=100kg,Fy=100kg,Fz=100kg | 绝缘电阻 | ≥5000MΩ/100VDC |
| 输出灵敏度 | ≈1.0mV/V | 激励电压 | 5V |
零点输出 | ±2%mV/V | 最大激励电压 | 15V |
| 非线性 | 0.05%F.S. | 温度补偿范围 | -10-40℃ |
| 滞后误差 | 0.05%F.S. | 工作温度范围 | -20-60℃ |
| 重复性 | 0.05%F.S. | 安全超载 | 120%F.S. |
| 蠕变(30分钟) | 0.1%F.S. | 极限超载 | 150%F.S. |
| 温度对灵敏度漂移 | 0.05%F.S./10℃ | 电缆线尺寸 | φ6×8000mm |
零点温度漂移 | 0.05%F.S./10℃ | 保护等级 | IP67 |
| 输入电阻 | 380±20Ω | 输出电阻 | 350±10Ω |
受力方向 | 接线方式 |
![]() | ![]() |