● 高度低,变形量小;
● 拉压双向;
● 主要用于推、拉力计、料斗秤、各种工业称重系统等;
● 汽车压装、自动化组装、3C产品测试、新能源产品组装、医疗检测、机器人领域、模具组装
● 应用领域:汽车压装、自动化组装、3C产品测试、新能源产品组装、医疗检测、机器人领域、模具组装及其他工业测试、测量及控制系统

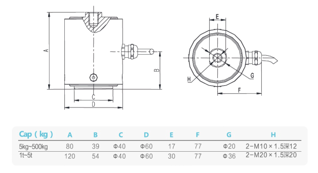
| 额定量程 | 5,10,20,50,100,200,250,500 kg 1000,2000,3000,5000 kg | 绝缘电阻 | ≥5000 MΩ / 100VDC |
| 灵敏度 | 2.0±2.5% mV/V | 激励电压 | 5~15V |
| 零点平衡 | ±0.02% F.S. | 最大激励电压 | 20V |
| 非线性 | 0.03% F.S. | 温度补偿范围 | -10~40℃ |
| 滞后误差 | 0.03% F.S. | 工作温度范围 | -20~70℃ |
| 重复性 | 0.03% F.S. | 安全负载 (E L) | 150% F.S. |
| 蠕变(30分钟) | 0.03% F.S. | 破坏负载 (E d) | 200% F.S. |
| 温度对灵敏度漂移 | 0.02% F.S./ 10℃ | 电缆线尺寸 | Φ5×3000 mm |
| 温度对零点漂移 | 0.02% F.S./ 10℃ | 材料 | 铝合金(5~500kg) 合金钢(1~5t) |
| 输入电阻 | 385±50 Ω | 单件重量 (G) | 0.1 kg |
| 输出电阻 | 350±10 Ω | 保护等级 | IP66 |
受力方向 | 接线方式 |
![]() | ![]() |